PCB – Herstellung
≡ Steuerbox ≡

       15. Januar 2009  —  Steuerbox komplett.

Die Mühe hat sich gelohnt. Die Parallelreihe (2 x 13) ist sauber gebohrt; die Klemmleiste konnte ohne Quetschen eingesetzt werden. In X- Richtung habe ich zwischen zwei Bohrungen auf 100mm Abstand einen Versatz in Y von 0.01mm (ein Hundertstel). Die Bohrer verlaufen gut 0.02mm - besser geht's nicht.

An den Klemmen 1 bis 11 werden die Spulen angeschlossen, jede hat eine Löschdiode 1N 4148 erhalten und einen Widerstand für die LED. 12 und 13 sind Masse. Die Spannungsversorgung über- nimmt ein Schaltnetzteil mit 24VDC/1.8A. Der maximale Strom beträgt ca. 1.1A, wenn alle Spulen betätigt sind und die LED leuchten.

An der Lötseite ist nur interessant, daß die Verbindungen der externen Span- nungsversorgung (z. Zt. noch über ein PC-Netzteil) für Kompressor und Bohrer von 12V nicht als Leiterbahnen, sondern mit 0.8mm-Büroklammerdraht ausge- führt wurden. Hier fliessen bis zu 7A.

Zwei Stellen mußten repariert werden. Beim Wegziehen der Platine unter dem Bohrer passiert.

Ummmpf....

Rechts oben: Eingang 24V, darunter das 24V-Relais (mit Löschdiode) zum Ansteuern des Kompressors, darunter die Anschlüsse für Kompressor, Druck- schalter und Bohrer. Ganz rechts im Gehäuse drei Buchsen, um Strom/Span- nung über ein Multimeter anzuzeigen oder um 24V- Magnetspulen bzw. weitere Ventile zu testen.


Alles verlötet, Elektronik-Modul und exter- nes Schaltventil angeschlossen.

Letzter Check der Verdrahtung und des Durchgangs des Elektronik- Moduls zur Platine. Im Hintergrund mein bescheide- nes Equipment:

– Monacor Labornetzgerät PS303, 30V/3A

– Fluke Multimeter 8062A

– ELV Digital- Lötstation LS50

Die Lötkegel sind nicht immer perfekt, glänzen aber immerhin. Das Foto gehört eigentlich zum Platinengriller. Mittlerweile können feinste Struktutren mit dieser Me- thode erzielt werden. Die hochgestellten Zeichen sind zusammen nur 3.2 x 1.5mm groß.


Das Layout mit eingezeichneten Bautei- len und Bezeichnungen.

Das druckfertige Layout, im Original 2596 x 1652px oder 110 x 70mm.

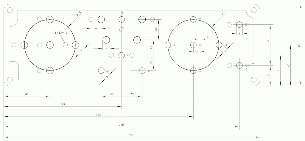
Die Zeichnung zum Anreißen des Deckels.


• Oben • Layout • Platinengriller • Ätz-Verfahren • Platinenbohrer 1 • Steuerbox • Platinenbohrer 2 • Anfang •
ACVision © Copyright 2006 - 2026 by Michael Gewohn